產品中心
解決方案
聯系我們
深圳市東么川伺服控制技術有限公司
電話:13316379101
郵箱:1355229533@qq.com
地址:深圳市龍華區民治街道樟坑社區青創城A棟B502
86步進電機 二相

型號:86mm
名稱:86步進電機 二相
簡介:
86mm系列兩相混合式步進電機,基于業界先進的磁路設計方案。在選材上,采用耐高溫永磁體和優質冷軋鋼片制造,選用日本NMB或NSK軸承,電機表面經噴塑或鋁殼密封處理。
- 規格參數
- 產品特點
- 產品尺寸圖
- 匹配產品
- 應用領域
- 資料下載
86混合式步進電機規格參數:
| 項目 | 技術參數 |
| 步距角 | 1.8° |
| 步距角精度 | ±5%(整步,空載) |
| 電阻精度 | ±10%(@20°) |
| 電感精度 | ±20%( 1KHz) |
| 溫升 | 80℃Max.(額定電流,2相通電) |
| 環境溫度 | -20°~ + 50℃ |
| 絕緣電阻 | 100MΩMin.500VDC |
| 耐壓 | 500VAC/Min |
| 徑向間隙 | 0.02mmMax.(450g負載) |
| 軸向間隙 | 0.08 mmMax.(450g負載) |
| 徑向最大負載 | 220N(距法蘭面20mm) |
| 軸向最大負載 | 60N |
86混合式步進電機型號參數:
| 型號 | 接線方式 | 步距角 (度) | 額定電流 (A) | 相電阻 (Ω) | 相電感 (mH) | 保持轉矩(N.M) | 轉子慣量(g.c㎡) | 機身長 (mm) | 軸徑(mm) | 引線數 |
| 86HS33 | 串聯 | 1.8 | 1.98 | 2.60 | 15.60 | 3.30 | 1000 | 65 | 12.7 | 4or8 |
| 并聯 | 3.96 | 0.65 | 3.90 | |||||||
| 86HS45 | 串聯 | 1.8 | 3.00 | 1.30 | 12.00 | 4.50 | 1400 | 80 | 12.7 | 4or8 |
| 并聯 | 6.00 | 0.33 | 3.00 | |||||||
| 86HS85 | 串聯 | 1.8 | 3.00 | 1.80 | 24.00 | 8.50 | 2700 | 118 | 12.7or14 | 4or8 |
| 并聯 | 6.00 | 0.45 | 6.00 | |||||||
| 86HS12 | 串聯 | 1.8 | 2.95 | 2.92 | 34.70 | 12.00 | 4000 | 156 | 12.7or14 | 4or8 |
| 并聯 | 5.90 | 0.73 | 8.68 |
86混合式步進電機該系列電機具有輸出轉矩大、低溫升、低噪聲、低振動的特點,可靠性和穩定性高。電機運行平穩,無明顯的振蕩區,可滿足自動化行業不同工況的使用。
●雙極性 1.8°
●機座號:86
●保持轉矩:3.30~12.0N.M
●輸出轉矩大 ,高轉速
●電機發熱小,噪音低,效率高
●高速停止平穩快速,無零速振蕩運行平穩,振動噪聲小
●響應速度快,適合頻繁啟停的場合
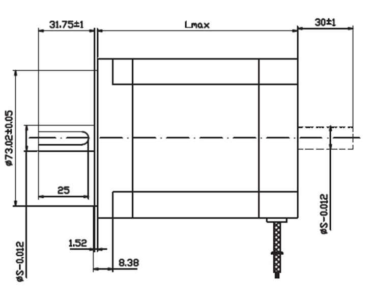
外 形 尺 寸圖


86步進電機接線圖
- 上一篇:42步進電機 混合式二相
- 下一篇:57步進電機系列 兩相
相關產品:兩相步進電機
相關產品:無刷電機
相關產品:兩相步進驅動器
相關產品:產品中心




























地址 ADDRESS