產品中心
解決方案
聯系我們
深圳市東么川伺服控制技術有限公司
電話:13316379101
郵箱:1355229533@qq.com
地址:深圳市龍華區民治街道樟坑社區青創城A棟B502
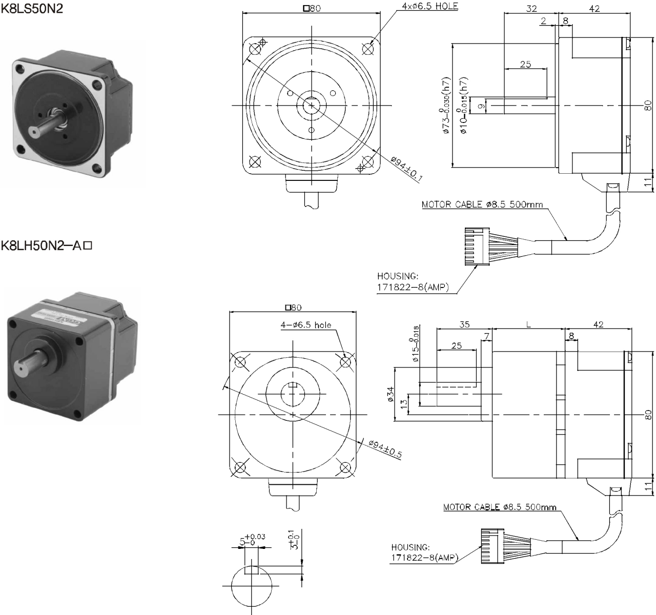
BLDC 50W AGV無刷電機

型號:K8LS50N2
名稱:BLDC 50W AGV無刷電機
簡介:
- 規格參數
- 產品特點
- 產品尺寸圖
- 匹配產品
- 應用領域
- 資料下載
| 規格 | 電機 | 減速機 | 減速比 | L | 安裝螺絲規格 |
| K8LH50N2-A | K8LH50N2 | K8H | 5—20 | 41 | M6 P1.0X65 |
| 30-100 | 46 | M6 P1.0X70 | |||
| 200 | 51 | M6 P1.0X75 |
規格中
表示減速比
減速機配組合螺絲一套(墊片,彈簧墊片,內六角螺絲各4個)
參數:
| 型號 | 組合型 | K8LH50N2-A |
| 直接出軸型 | K8LS50N2 | |
| 功率 W | 50 | |
| 電源輸入 | 電壓 V | DC24 |
| 電壓許容范圍 | ±10% | |
| 額定輸入電流 A | 3.1 | |
| 最大輸入電流 A | 5.4 | |
| 額定力矩 N.M | 0.2 | |
| 啟動力矩 N.M | 0.24 | |
| 額定旋轉速度 r/min | 2500 | |
| 速度控制范圍 r/min | 100—3000 | |
| 直接出軸型電機 額定瞬間負載慣性 | Jx10­ˉkg ·m^ | 3.3 |
| 瞬間旋轉慣性 Jx10­ˉkg ·m^ | 0.234 | |
| 速度變動率 | 大負載 | ±1%以下,0到額定力矩時,在額定回轉速度。額定電壓,常溫時。 |
| 大電壓 | ±1%以下,在額定電源電壓±10%,額定回轉速度 無負載,常溫時。 | |
| 大溫度 | ±1%以下,在使用周圍溫度0℃+40℃,額定旋轉速度,無負載。 | |
共同參數:
| 項目 | 參數 |
| 速度設定 | 控制面板上的速度調節旋鈕 |
| 加/減速時間設定 | 0.5—10秒:2000r/min無負載時(因負載的大小有變動),加速時間及減速時間的設定共同。 |
| 輸入信號 | 內部FULL-UP輸入方式;外部輸入電壓2V以上HIGH(OFF)識別,所有輸入程序統一 |
| 輸出信號 | OPENCOLLECTOR開路集電極輸出,SPEED OUT/ALARM OUT公用 輸入電壓由外部的UI(CTRL)PIN輸入是電源輸出,出外是內部5V輸出。 |
| 保護機能 | 以下的保護機能動作時 CONTROLUNIT ALARM控制器的報警信號輸出,電機停止轉動 ●過負載保護機能:電機額定力矩超過負載 5秒以上時。 ●過電壓保護機能:控制器輸入的電壓超過額定電壓容許范圍內時。 ●接線保護功能 :電機運行中,連接傳感器的線纜斷線時。 ●欠電壓保護功能:控制器T輸入的電壓低于額定電壓時。 ●過速保護功能 :電機的旋轉速度超過2500 r/min 時。 |
| 電機結緣等級 | E(120℃) |
| 最大延長距離 | 電機和控制器之間最長是10.5米 |
| 運轉時間 | 連續運轉 |
●KBL系列運行時, 在負載側向力大于電機側旋轉力時,電機調節速度功能不可能.
●額定負載慣性值超過負載扭力時, 過電壓保護機能啟動,電機自然停止
項目 | 電機 | 控制器 | |
絕緣阻抗 | 常溫,常濕環境下連續遠行后,線圈與殼體間 加入DC500V MEGA后測試電阻100MΩ以上 | 常溫常濕下連續運行后,電源輸入DC500V MEGA 檢測與放熱量板之間值為100Ω以上 | |
絕緣內壓 | 常溫,常濕環境下連續運行后,線圈與殼 體間加50Hz,AC 0.5kV一分鐘沒有異常 | 常溫常濕下連續運行后,電源輸入50Hz,ACO,5kV 一分鐘檢測與放熱板之間沒有異常 | |
使用環境 | 周圍濕度 | 0—+50℃(沒有結露) | |
周圍濕度 | 85%以下(沒有結露) | ||
標高 | 海拔1000m以下 | ||
周圍環境 | 沒有腐蝕性氣體,粉塵,放射性物質,磁場,真空等特殊環境不可使用 | ||
震動 | 不要有連續性的震動或過度的沖擊,依據JIS C 60068-2-6震動試驗方法 頻率范圍:10-55Hz平振0.15mm內:3方向(X.Y.Z):次數:20回 | ||
極限環境 | 周圍濕度 | -25—+70℃(沒有結露) | |
周圍濕度 | 85%以下(沒有結露) | ||
標高 | 海拔3000m以下 | ||
絕緣等級 | UL.CSA規格 A種(105℃):EN規格 E(120℃) | — | |
防護等級 | IP65 | IP00 | |
●極限環境包括短時間運輸時間的值
●電機R與驅動器連接情況下,不要檢測絕緣阻抗和內電壓
減速電機額定扭矩
| 品名 | 減速比 | 5 | 10 | 15 | 20 | 30 | 50 | 100 | 200 |
| 速度范圍[r/min] | 200—500 | 10—250 | 6.7—167 | 5—125 | 3.3—83 | 2—50 | 1—25 | 0.5—12.5 | |
| 600 | 300 | 200 | 150 | 100 | 60 | 30 | 15 | ||
| K6H30N■—A□ | 100—2500r/min | 0.54(5.4) | 1.1(11) | 1.6(16) | 2.2(22) | 3.1(31) | 5.2(52) | 6(60) | 6(60) |
| 3000r/min | 0.27(2.7) | 0.54(5.4) | 0.81(8.1) | 1.1(11) | 1.5(15) | 2.6(26) | 5.2(52) | 6(60) | |
| KBLH50N■—A□ | 100—2500r/min | 0.9(9) | 1.8(18) | 2.7(27) | 3.6(36) | 5.2(52) | 8.6(86) | 16(160) | 16(160) |
| 3000r/min | 0.45(4.5) | 0.9(9) | 1.4(14) | 1.8(18) | 2.6(26) | 4.3(43) | 8.6(86) | 16(160) | |
| K9L100N■—A□ | 100—2500r/min | 1.8(18) | 3.6(36) | 5.4(54) | 7.2(72) | 10.3(103) | 17.2(172) | 30(300) | 30(300) |
| 3000r/min | 0.9(9) | 1.8(18) | 2.7(27) | 3.6(36) | 5.2(52) | 8.6(86) | 17.2(172) | 30(300) |
●旋轉方向■表示與電機旋轉方向同方向,其余為反方向。
額定懸垂重量及額定平推重量
| 品名 | 減速比 | 額定懸垂重量 | 額定平推重量 | |||||
| N | fgf | N | kgf | N | kgf | |||
| 電機+減速機 | K6H30N■—A□ | 5 | 100 | 10 | 150 | 15 | 40 | 4 |
| 10—20 | 150 | 45 | 200 | 20 | ||||
| 30—200 | 200 | 20 | 300 | 30 | ||||
| KBLH50N■—A□ | 5 | 200 | 20 | 250 | 25 | 100 | 10 | |
| 10—20 | 300 | 30 | 350 | 35 | ||||
| 30—200 | 450 | 45 | 550 | 55 | ||||
| K9L100N■—A□ | 5 | 300 | 30 | 400 | 40 | 150 | 15 | |
| 10—20 | 400 | 40 | 500 | 50 | ||||
| 30—200 | 500 | 50 | 650 | 65 | ||||
| 電機 | K6LS30N■ | 70 | 7 | 100 | 10 | 自重沒有障礙的前提下 不能超過電機自重的50% | ||
K8LS50N■ | 120 | 12 | 140 | 14 | ||||
K9LS100N■ | 160 | 16 | 170 | 17 | ||||
●規格中■表示電源電壓U(單相100—115V), C(單相200—230V)
●規格中□表示減速比
瓦數:50W
長度:80mm
DC24V電壓輸入

相關產品:兩相步進電機
相關產品:無刷電機
相關產品:兩相步進驅動器
相關產品:產品中心



























地址 ADDRESS