深圳市東么川伺服控制技術有限公司
電話:13316379101
郵箱:1355229533@qq.com
地址:深圳市龍華區民治街道樟坑社區青創城A棟B502

- 規格參數
- 產品特點
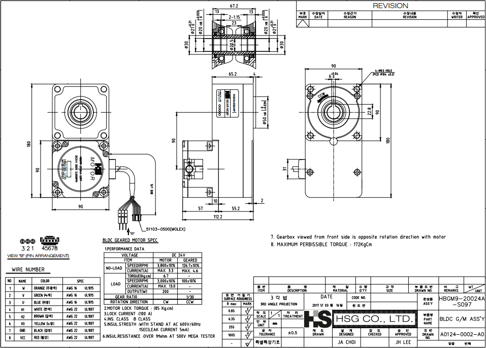
- 產品尺寸圖
- 匹配產品
- 應用領域
- 資料下載
| ? ? | GEAR TYPE | K6LH30N2 | K8LH50N2 | K9LH100N2 |
| D-CUT TYPE | K6LS30N2 | K8LS50N2 | K9LS100N2 | |
| ???? (??) W | 30 | 50 | 100 | |
???? | ???? V | DC24 | ||
| ?????? | ±10% | |||
| ?????? A | 2.1 | 3.1 | 6.0 | |
| ?????? A | 3.7 | 5.4 | 9.8 | |
| ?TORQUE N·m(kgf·cm) | 0.12 | 0.2 | 0.4 | |
| ??TORQUE N·m(kgf·cm) | 0.15 | 0.24 | 0.5 | |
| ?????? r/min | 2500 | |||
| ?????? r/min | 100~3000 | |||
| ??SHAFT TYPE? J×10-4 kg·m2 ??????MOMENT | 1.8 | |||
| ROTOR ?? MOMENT J×10-4 kg·m2 | 0.086 | 0.234 | 0.611 | |
| ????? | ? ?? | ±1% ?? : ?? 0~??TORQUE, ??????, ????, ?? | ||
| ? ?? | ±1% ?? : ?? ???? ±10%, ??????, ???, ?? | |||
| ? ?? | ±1% ?? : ?? ?????? 0~+40℃, ??????, ???, ???? | |||
=EN-US style='font-size:8.0pt;font-family:"Courier New"'>, ????
0 ??TORQUE? ????? 2000 r/min ???? ? 5? ?????.
0 ? ??? ?? MOTOR ?? ?? ?????.
| ? ? | ? ? |
| ???? ???? | ● ?? ?? ???? ?? ?? ● ?? ????? ?? ?? (DC 0~5V) |
| ???? / ???? | 0.5~10? : 2000 r/min. ???? (? ??? ??? ?? ??? ? ????.) |
| ???? ? ???????? ???? | |
| ???? | ?? FULL-UP ????, ?? ???? 2V?? HIGH(OFF)?? ??, ?? ?????? ?? |
| ???? | OPEN COLLECTOR ??, SPEED OUT/ALARM OUT? ??, ???? ????? UI(CTRL)??? 2? PIN?? ???? ??? ??? ??? ??, ??? ?? 5V?? |
| ???? | ??? ????? ???? CONTROL UNIT ALARM ??? ????, MOTOR? ?? ?????. ● ??????? : MOTOR? ??TORQUE? ???? ??? ? 5??? ??? ?? ● ??????? : CONTROL UNIT? ???? ??? ???? ???? ???? ??? ?? ● ?????? : MOTOR? ???, CABLE? SENSOR?? ??? ?? ● ???????? : CONTROL UNIT? ???? ??? ???? ???? ???? ??? ?? ● ??????? : MOTOR ????? 3500 r/min ? ??? ?? |
| ?? ?? ?? | E?(120℃) |
| ?? ?? ?? | MOTOR - CONTROL UNIT ? 2m |
| ???? | ?? |
L SERIES? ?????? ????, ????? MOTOR?? ???? ???? MOTOR? ????? ??? ???. ??????? ?? ?? ??? ??? ???, ?????? ????? ???????? ???? MOTOR? ?? ??????.
????
| ? ? | MOTOR | CONTROL UNIT | |
| ???? | ??·???? ???? ? COIL? CASE?? DC 500V MEGA TESTER? ?? ? 100? ??? ? | ??·???? ???? ? ????? ??? ??? DC500V MEGA? ??? ?? 100? ??? ? | |
| ???? | ??·???? ???? ? COIL? CASE?? 50Hz, AC 0.5kV? 1?? ???? ??? ?? ? | ??·???? ???? ? ????? ??? ??? 50Hz, AC 0.5kV? 1?? ???? ??? ?? ? | |
| ???? | ?????? | 0℃~+50℃ (?? ?? ?? ?) | |
| ?????? | 85% ?? (??? ??? ?? ?) | ||
| ?? | ?? 1000m?? | ||
| ???? | ??? ??, ??? ?? ?, ?????, ??, ?? ?? ??????? ??? ?? | ||
| ?? | ???? ???? ??? ??? ???? ?? ? (JIS C 60068-2-6 ?????????? ??) ????? : 10~55Hz, ??? : 0.15mm, ???? : 3??(X,Y,Z), ???? : 20? | ||
| ?? ?? ?? ???? | ???? | -25 ~ +70℃ (???? ?? ?) | |
| ???? | 85% ?? (??? ??? ?? ?) | ||
| ?? | ?? 3000m?? | ||
| ???? | UL, CSA?? A?(105℃), EN?? E?(120℃) | ||
| ???? | IP65 | IP00 | |
* ????? ?? ?? ??? ???? ????.
* MOTOR? DRIVER? ??? ????? ??????, ????? ?? ?? ????.
??TORQUE
| ? ? | ??? | 5 | 10 | 15 | 20 | 30 | 50 | 100 | 200 | |
| ??????[r/min] | 20~500 | 10~250 | 6.7~167 | 5~125 | 3.3~83 | 2~50 | 1~25 | 0.5~12.5 | ||
| 600 | 300 | 200 | 150 | 100 | 60 | 30 | 15 | |||
| K6LH30N2 + K6H□B | 100~2500r/min | 0.54 5.4 | 1.1 11 | 1.6 16 | 2.2 22 | 3.1 31 | 5.2 52 | 6 60 | 6 60 | |
| 3000r/min | 0.27 2.7 | 0.54 5.4 | 0.81 8.1 | 1.1 11 | 1.5 15 | 2.6 26 | 5.2 52 | 6 60 | ||
| K8LH50N2 + K8H□B | 100~2500r/min | 0.9 9 | 1.8 18 | 2.7 27 | 3.6 36 | 5.2 52 | 8.6 86 | 16 160 | 16 160 | |
| 3000r/min | 0.45 4.5 | 0.9 9 | 1.4 14 | 1.8 18 | 2.6 26 | 4.3 43 | 8.6 86 | 16 160 | ||
| K9LH100N2 + K9H□B | 100~2500r/min | 1.8 18 | 3.6 36 | 5.4 54 | 7.2 72 | 10.3 103 | 17.2 172 | 30 300 | 30 300 | |
| 3000r/min | 0.9 9 | 1.8 18 | 2.7 27 | 3.6 36 | 5.2 52 | 8.6 86 | 17.2 172 | 30 300 | ||
| K6LH30N2+K6H□BTH | 100~2500r/min | 0.48 4.8 | 1 10 | 1.5 15 | 2 20 | 3.1 31 | 5.1 51 | 10.2 102 | 17 170 | |
| 3000r/min | 0.24 2.4 | 0.51 5.1 | 0.77 7.7 | 1 10 | 1.5 15 | 2.6 26 | 5.1 51 | 10.2 102 | ||
| K8LH50N2 + K8H□BTH | 100~2500r/min | 0.85 8.5 | 1.7 17 | 2.6 26 | 3.4 34 | 5.1 51 | 8.5 85 | 17 170 | 34 340 | |
| 3000r/min | 0.43 4.3 | 0.85 8.5 | 1.3 13 | 1.7 17 | 2.6 26 | 4.3 43 | 8.5 85 | 17 170 | ||
| K9LH100N2 + K9H□BTH | 100~2500r/min | 1.7 17 | 3.4 34 | 5.1 51 | 6.8 68 | 10.2 102 | 17 170 | 34 340 | 68 680 | |
| 3000r/min | 0.85 8.5 | 1.7 17 | 2.6 26 | 3.4 34 | 5.1 51 | 8.5 85 | 17 170 | 34 340 | ||
* ????? ?? MOTOR? ?? ??? ?????. ??? ??????.
* Flat Gearhead ??? ? ?? Motor? ????, Flat Gearhead ? (Motor ????)?? ? ?? Motor? ?? ???? ?????.
| ? ? | ??? | ?? OVERHANG ?? | ?? THRUST ? | ||||||
| ??? ???? 10mm | ??? ???? 20mm | ||||||||
| N | kgf | N | kgf | N | kgf | ||||
| GEARED MOTOR | K6LH30N2+ K6H□B | 5 | 100 | 10 | 150 | 15 | 40 | 4 | |
| 10~20 | 150 | 15 | 200 | 20 | |||||
| 30~200 | 200 | 20 | 300 | 30 | |||||
| K8LH50N2+ K8H□B | 5 | 200 | 20 | 250 | 25 | 100 | 10 | ||
| 10~20 | 300 | 30 | 350 | 35 | |||||
| 30~200 | 450 | 45 | 550 | 55 | |||||
| K9LH100N2+ K9H□B | 5 | 300 | 30 | 400 | 40 | 150 | 15 | ||
| 10~20 | 400 | 40 | 500 | 50 | |||||
| 30~200 | 500 | 50 | 650 | 65 | |||||
| K6LH30N2+ K6H□BTH | 5~10 | 450 | 45 | 370 | 37 | 200 | 20 | ||
| 15~200 | 500 | 50 | 400 | 40 | |||||
| K8LH50N2+ K8H□BTH | 5~10 | 800 | 80 | 660 | 66 | 400 | 40 | ||
| 15~200 | 1200 | 120 | 1000 | 100 | |||||
| K9LH100N2+K9H□BTH | 5~10 | 900 | 90 | 770 | 77 | 500 | 50 | ||
| 15~20 | 1300 | 130 | 1110 | 111 | |||||
| 30~200 | 1500 | 150 | 1280 | 128 | |||||
| MOTOR | K6LS30N2 | 70 | 7 | 100 | 10 | ·THRUST??? ??? ???? ??? ?? ???? ?? ??? 50%??? ??.. | |||
* ??? □?? ???? ???? ??? ?????.
* ?? Overhang ??? ?????? ??? ? ????.

- 上一篇:深圳無刷電機廠家-現貨無刷電機廠家-無刷電機
- 下一篇:沒有了!
相關產品:兩相步進電機
相關產品:無刷電機
相關產品:兩相步進驅動器
相關產品:產品中心



























地址 ADDRESS